专业生产控制器,SCR,SSR,传感器,计数器,转换器,电工仪表,智能显示仪表等仪器产品!

全国服务热线:

13431549692

当前位置:首页 > 产品中心 > 计数/计时器

控制器(数码管显示)

控制器(液晶屏显示)

SCR电力调整器

多功能信号转换器

固态继电器

转速器/位置表

计数/计时器

电工仪表

传感器/热电偶

显示仪表

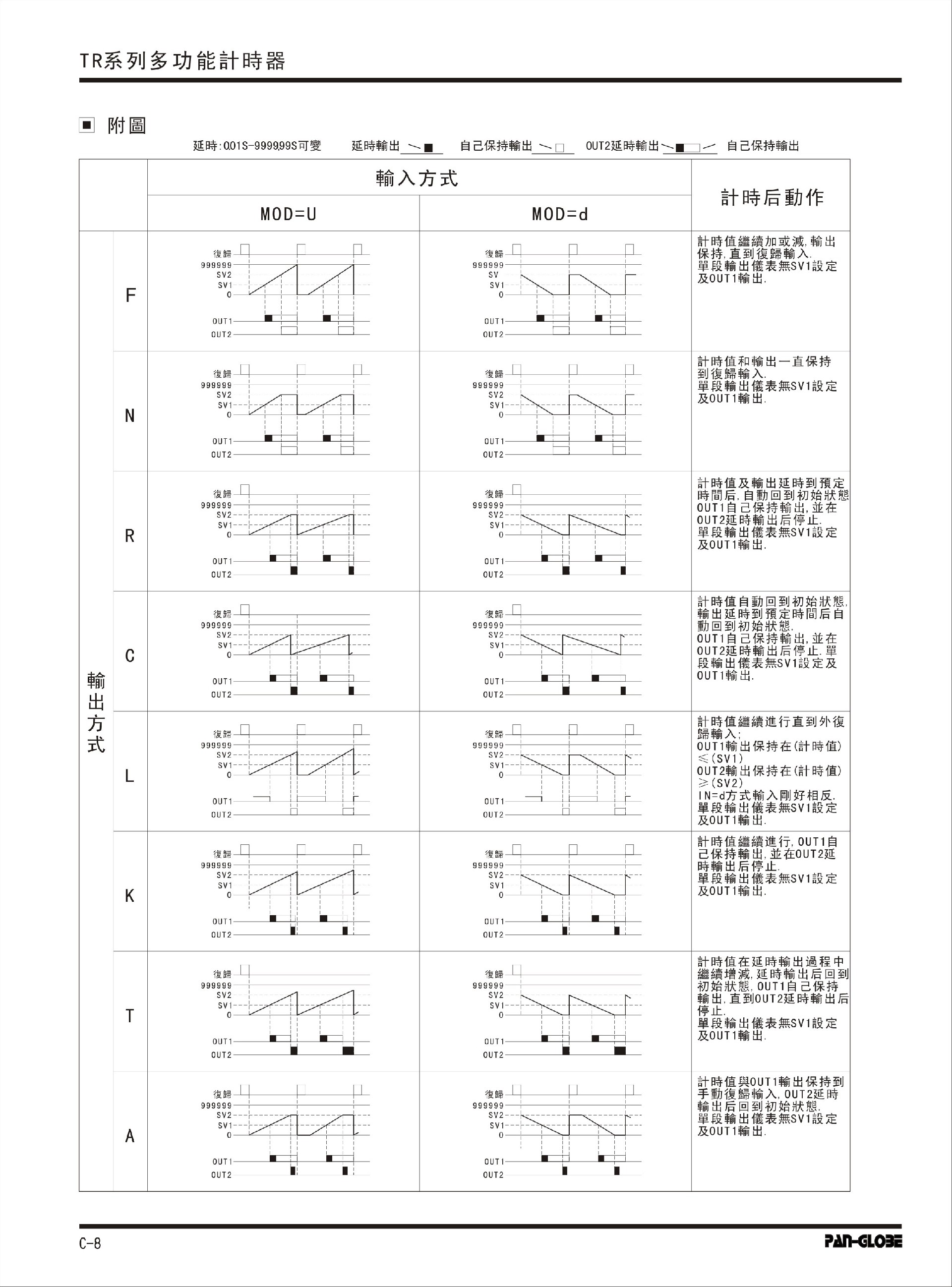
TR多功能计时器

TR多功能计时器产品特点

很强的抗杂讯干扰能力

双排4位,6位LED数字显示

多种机型尺寸可选:48H×48W,72H×72W

使用触控按键设定仪表参数值

加计时U,减计时d功能

两段设定及输出(继电器或晶体管)

8种定时范围可选(其中两种为60进制)




关于我们
公司简介
企业环境
荣誉证书
产品中心
控制器(数码管显示)
控制器(液晶屏显示)
SCR电力调整器
多功能信号转换器
固态继电器
转速器/位置表
计数/计时器
电工仪表
传感器/热电偶
显示仪表
技术支持
常见问题
下载中心
替换产品
技术交流
应用案例
电炉行业
冶金行业
化工行业
制药行业
环保行业
塑料机械行业
联系我们
在线留言
联系方式
人才招聘

13431549692

  • 扫一扫加为好友

  • 泛达官网二维码

服务热线

13431549692

扫一扫